Heizungssteuerung
Die Aufgabenstellungen in der Gebäudeautomation sind sehr vielseitig. Aus den Bereichen der Gebäudestandards und der Gebäudeoptimierung ist die Heizungsregelung ein wichtiger Bestandteil. Bei den Betriebskosten eines Gebäudes bietet der Heizkostenanteil ein großes Einsparpotential. Je nach Gebäudenutzung beträgt der Wert bis zu 70% der anfallenden Energiekosten.
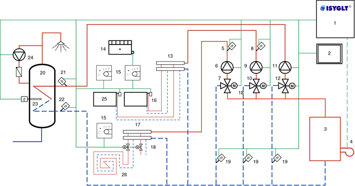
Umfangreiche Heizungsregelung
Das BUS-System für Gebäudeautomation ISYGLT bietet neben allen anderen wichtigen Funktionsgruppen im Gebäude auch eine umfangreiche Heizungsregelung an. Das unten stehende Schema für die Heizungsregelung umfasst Fußbodenheizung (26), Radiatorheizung (25) und Warmwasserbereitstellung (20). Bei Bedarf ist eine direkte Schnittstelle zum Brenner (4) möglich. Die Radiatorheizung und die Fußbodenheizung wird über Heizkreisverteiler (13 und 17) gespeist. Die Regelung (1) erfasst die einzelnen Temperaturwerte und steuert die Pumpen (6, 9, 11, 24), Mischventile (7, 10, 12) und Einweg-Stellventile (16, 18). Die Ansteuerung der Einweg-Stellventile kann analog (0-10V) oder digital (quasi stetig) erfolgen. Durch den ständigen Vergleich der Vorlauf- (5, 8, 21) und der Rücklauftemperaturen (19, 22) werden die Umwälzpumpen (6, 9) bzw. die Warmwasserspeicher-Ladepumpe (11) und die Dreiwege-Mischventile (7, 10, 12) nachgeregelt, so dass energiesparend die optimale Wärmeenergie zur Verfügung gestellt wird.
Umwälzpumpen, die keine interne Leistungsregelung haben, können vom ISYGLT-System angesteuert werden. Die Drehzahl der Umwälzpumpen und die Stellung der Dreiwege-Mischventile wird aus der angeforderten Heizenergie und dem ΔT der Vorlauf- und Rücklauftemperaturfühler ermittelt. In den einzelnen Räumen befinden sich Einzelraum-Komfort-Temperaturregler mit integriertem Temperaturfühler (15), die die gewünschte Raumtemperatur über die elektrothermischen und/oder elektromotorischen Stellventile (16, 18) konstant halten. Sie übernehmen die Regelung der Fußbodenheizung (26), der Radiatorheizung (25) und der Klimageräte (14). Es stehen fünf Betriebsarten zur Verfügung und es können Präsenzsensoren, Außentemperaturfühler und Fensterkontakte direkt mit eingebunden werden. Mit dem auf der Frontseite angebrachten Drehknopf wird vor Ort der Sollwert den jeweiligen Bedürfnissen angepasst. Vom Einzelraum-Temperaturregler wird in diesem Beispiel auch die Heizwassertemperatur des Kessels (3) übergeordnet gesteuert.
Zur kompletten Heizungsregelung gehört auch die Warmwasserbereitstellung. Das Warmwasser wird auf die Temperatur (23) geregelt, bei der sich nur geringfügig Kalk am Warmwassersystem ablagert. Auf Wunsch wird zur thermischen Desinfektion nach DVGW-W551 z.B. um 2.00Uhr Nachts das Brauchwasser auf > 60° erwärmt. Hohen Brauchwasserbedarf erkennt die Regelung durch ein größeres ΔT zwischen Vorlauf- und Rücklauftemperaturfühler (21 und 22) und stellt über die Warmwasserspeicher-Ladepumpe (11) und das Dreiwege-Mischventil (12) eine höhere Wärmeenergie zur Verfügung.
Die Visualisierung (2) mit einem Touch-Panel erhöht den Bedienkomfort und stellt alle wichtigen Informationen und Bedienelemente der Gebäudeautomation zur Verfügung. Die Sollwerte der Heizungsregelung können bequem eingestellt werden und die Istwerte bzw. Störmeldungen werden angezeigt. Die Heizungsregelung rundet die Funktionspalette in der Gebäudeautomation ab, selbstverständlich sind aber neben der Heizungsregelung auch alle anderen gebäudetechnischen Funktionen wie Licht- oder Jalousiemanagement realisierbar und über das Touch-Panel bedienbar.


